1T - Permis de construire 1925-1926

Déplier tous les niveaux

Cote/Cotes extrêmes

1T/3001-1T/4000 (Cote)

Date

1920-1964

Notes

Publié sur FranceArchives.

Mots clés lieux

Mots clés typologiques

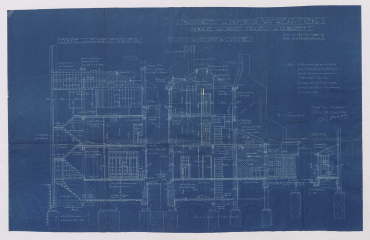
Angle 31 rue Halévy, 1 rue George Bizet.

Cote/Cotes extrêmes

1T/3809 (Cote)

Autres Cotes

PC3870 (Numéro métier)

Date

1926

Présentation du contenu

Construction d'une habitation.

Mots clés typologiques