1T/4001-1T/5000 (Cote)
Cote/Cotes extrêmes
Date
Notes
Publié sur FranceArchives.
Mots clés lieux
Mots clés typologiques
Cote/Cotes extrêmes
Autres Cotes
Date
Présentation du contenu
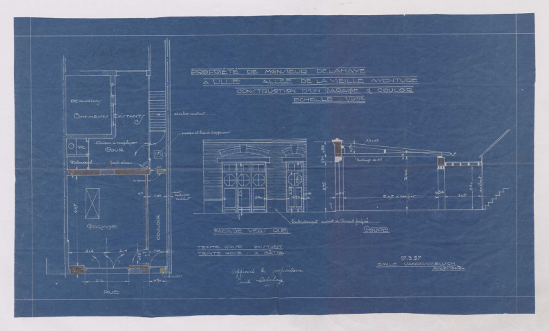
Refus puis autorisation de la construire un garage.
Mots clés typologiques
Ce site utilise des cookies techniques nécessaires à son bon fonctionnement. Ils ne contiennent aucune donnée personnelle et sont exemptés de consentements (Article 82 de la loi Informatique et Libertés).
Vous pouvez consulter les conditions générales d’utilisation sur le lien ci-dessous.